关注微信二维码
立享更多信息
确定

专注 专业 工业自动化整体解决方案供应商
全国咨询热线:0755-23071550
24小时服务热线:138 2328 6511
产品中心Product
联系我们Contact Us
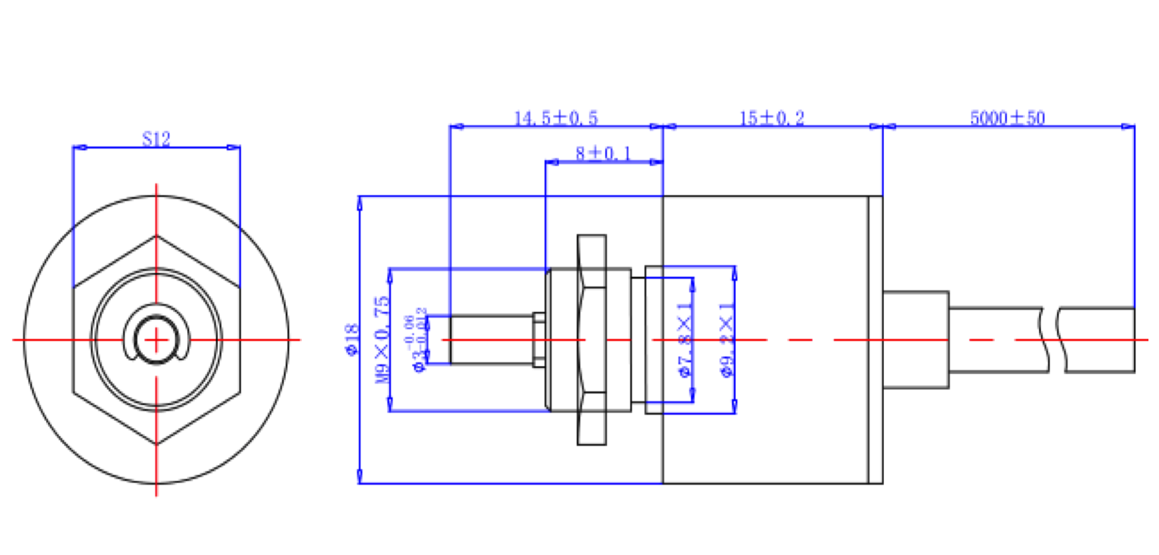
角度传感器 SUNCIO XP-2UTX 电位器
阅览次数: 次
-
角度传感器 SUNCIO XP-2UTX 电位器
- 产品种类: 角度传感器
- 检测距离: 360度
- 检测方式: 模拟量
- 类型: 磁编非接触式
- 其他:
产品详细


电压输出
| 参数名称 | 测试条件 | 参数值
| 单位 |
| 最小值 | 典型值 | 最大值 |
| 电压VCC |
| 5 | 12 | 24 | V |
| 电流LS | 空载 | 10 | 25 | 50 | mA |
| 负载电阻RL |
| 0 |
|
| Ω
|
| 角度输出FS | RL空载 | 0.05 |
| 20.0 | mA |
| 存储温度 |
| -40 |
| 150 | °C |
| 工作温度 |
| 商业级0~50 | 工业级-20~80 | 军工级-40~125 | °C
|
| 分辨率 | 12
| bit |
| 精度 | 10 | bit |
| 防护等级 | 最高IP67
|
| 输出接线 | 棕色V+,蓝色V-,黑色OUT
|
| 备注 | TA=25°C
|
电流输出型
| 参数名称 | 测试条件 | 参数值
| 单位 |
| 最小值 | 典型值 | 最大值 |
| 电压VCC |
|
| 12 | 36 | V |
| 电流LS | 空载 |
| 25 | 10 | mA |
| 测量角度 | 0~360°,可根据客户调整
| Ω |
| 角度输出FS | RL空载 | 0.05 |
| 20.0 | mA |
| 存储温度 |
| -40 |
| 150 | °C |
| 工作温度 |
| 商业级0~50 | 工业级-20~80 | 军工级-40~125 | °C
|
| 分辨率 | 12
| bit |
| 精度 | 10 | bit |
| 防护等级 | 最高IP67
|
| 输出接线 | 棕色V+,蓝色V-,黑色OUT
|
| 备注 | TA=25°C
|
PWM输出型
| 参数名称 | 测试条件 | 参数值
| 单位 |
| 最小值 | 典型值 | 最大值 |
| 电压VCC |
| 5 | 12 | 24 | V |
| 电流LS | 空载 | 10 | 25 | 20 | mA |
| PWM响应 |
| 100 |
| 1000 | Hz |
| 占空比 |
| 1% |
| 90% |
|
| 存储温度 |
| -40 |
| 150 | °C |
| 工作温度 |
| 商业级0~50 | 工业级-20~80 | 军工级-40~125 | °C
|
| 精度 | 12
| bit |
| 防护等级 | 最高IP67
|
| 输出接线 | 棕色V+,蓝色V-,黑色OUT
|
| 备注 | TA=25°C
|